| POUR VOUS AIDER DANS VOTRE PRÉPARATION, DES KITS PRÊT À MONTER SONT DISPONIBLES |
|
|
|
Les borniers de masse fixés sur la face avant ont tendance à s'oxyder et créer des soucis. Les circuits concernés sont très importants car concernent
les phares ainsi que les ventilateurs de radiateur pour celui de gauche.

|
← bornier de masse droit A remplacer par des cosses pour gain de fiabilité → |
|
|
|
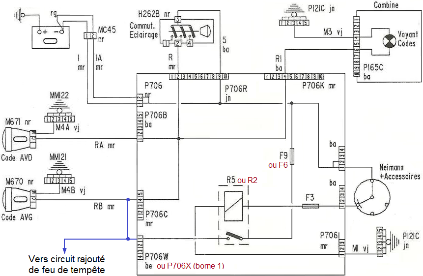
Certains organisateurs de raids demandent, à juste titre, d’allumer les phares lors des étapes de jour afin de rendre visibles les participants remontant le
road book pour minimiser le risque d'accident.
Cette instruction de sécurité est souvent oubliée ou les feux laissés allumés pendant les arrêts.
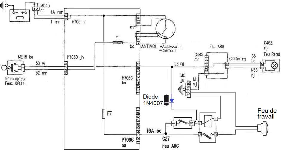
Il suffit de rajouter un simple fil sur le faisceau entre les prises 706W(borne 1) et 706C(borne 4) du boitier interconnexions pour créer un
mode automatique en se servant du circuit de lève-vitres supprimé.
Uniquement les feux de croisement AV(codes+voyant) s’allument lorsque le contact est mis et s'éteignent lorsqu'il est coupé, ainsi que
pendant le démarrage moteur.
Ne pas oublier de rajouter le relais R5 (circuit de lève-vitres) sur la platine (emplacement n°5) et le fusible F9.
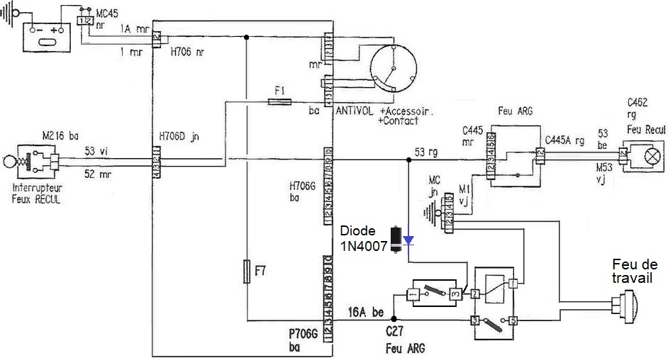
Profitez de l'intervention pour rajouter le circuit de feu "tempête de sable" souvent exigé par les organisateurs de raid.
Note : si vous ne désirez pas supprimer le circuit de lève vitre, vous pouvez utiliser le relais R2 (positon 2) et le fusible F6, la sortie de puissance se trouve sur la borne 1 de la prise 706X.
|
|
Tout comme l’allumage des feux de croisement, le rajout d’un feu "tempête de sable" est souvent demandé par l'organisateur du raid.
La modification est simple, mais afin de l’intégrer à la planche de bord, il est possible d’utiliser un bouton poussoir de commande d’origine avec
une alimentation venant du boitier interconnexions, toujours dans le but de limiter le rajout d’autres éléments.
De plus, une simple diode (1N4007) placée entre la ligne des feux stop et le feu tempête permet d’allumer ce dernier lors du freinage mais pas l’inverse.
Ceci permet aussi de séparer les circuits alimentés par deux fusibles différents.
|
L'avantage de ces deux modifications permet d'avoir un mode secours des feux qui reste fonctionnels même en cas de défaillance du commodo de phares.
L'automatisme d'allumage des codes peut être supprimé en retirant le fusible F9. Le feu "tempête de sable" peut être utilisé lorsque le contact est coupé, si besoin, en allumant les feux de croisement (code) par le commodo. |
|
|
Peu utile lors d'un raid organisé en Afrique du Nord puisqu'il est rare qu'une étape se déroule la nuit, un feu additionnel arrière, dit
"feu de travail", peut être utile si vous vous engagez sur un raid proposant des étapes de nuit.
Généralement, elles sont au programme des rallyes asphalte de début d'année tel que le "rallye neige et glace" de
Zoulou Racing Héritage.
|
|
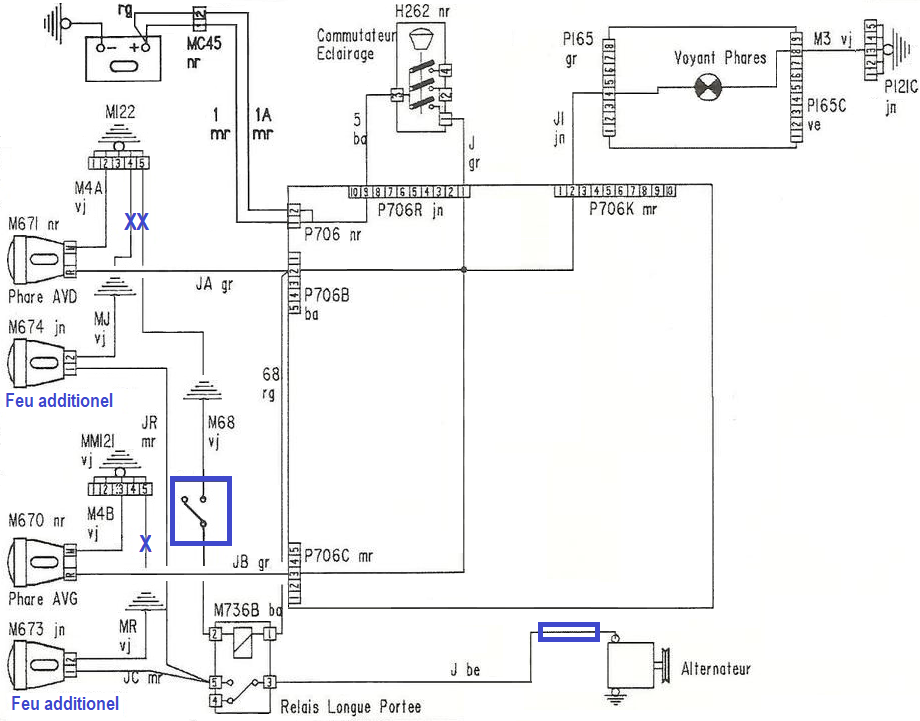
La pose de phares additionnels n'est pas une obligation en soit puisque rares sont les étapes se déroulant de nuit car très dangereux.
Ainsi l'installation de phares de forte puissance n'a aucun intérêt en soit mais ils font partis du décor et contribuent au look baroudeur de la 205.
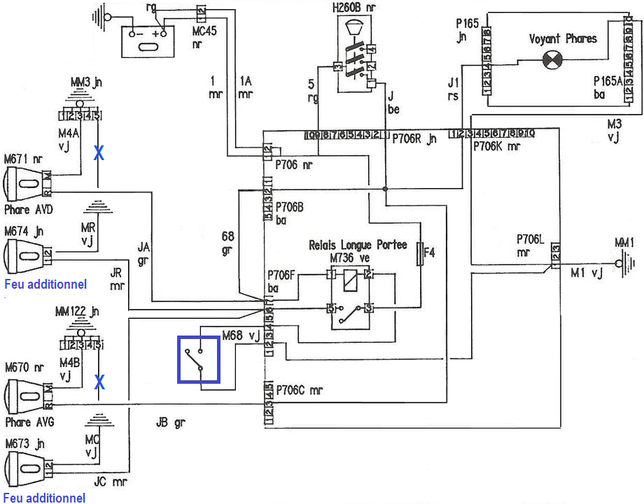
Un interrupteur peut être placé sur la ligne de commande du relais de puissance afin de pouvoir inhiber, si besoin, les feux rajoutés.
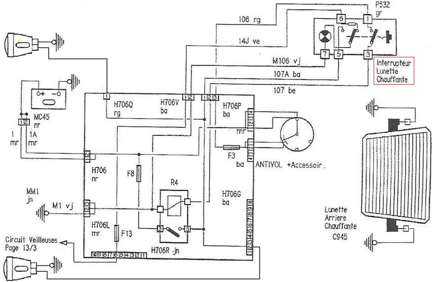
Si toutefois vous ne désirez pas coupler les feux longue-portées avec les phares d'origines, la modification la plus simple est de reprendre
la commande du bouton de dégivrage arrière si cette fonction est supprimée.
Limiter la puissance des feux tout en vérifiant que la section des fils les alimentant soit cohérente avec l'intensité.
Si votre choix se porte sur des feux additionnels de très forte puissance, il est plus raisonnable de se calquer sur le schéma ci-dessus avant 88 en commandant
le relais par la borne 3 d'un bouton poussoir.
Note: le relais R4 se trouve en positon 6 sur la platine.
|
Le logo du bouton poussoir peut être changé si besoin. |
|
Les feux placés sur le toit sont à éviter car éclairent le parebrise engendrant un inconfort de conduite.
Des longues portées placés sur le parechoc offrent plus d'efficacité s'ils sont de qualité → |
|
|
|
En raid, il est important de ne pas s'encombrer de gadgets baissant le niveau de fiabilité des circuits.
Si la 205 est équipée d'un rhéostat de réglage d'intensité lumineuse du tableau de bord, il est préférable de le supprimer en reprenant le schéma de
branchement de la 205 rallye, ou de le remplacer par
un interrupteur, afin de ne pas être gêné par d'éventuelles variations d'éclairage.
|
|
Une liseuse de bord peut etre une bonne option pour que le copilote puisse lire son roadbook sans gêner le pilote.
Une solution consiste à la fixer au plafond en tirant un fil d'alimentation depuis le pafonnier et faciliter la modification su cablage.
|
|
|
La liseuse peut être fixé sur l'attache du paresoleil passager par le biais d'une platine intercalée.
|
JiCéLDé, la préparation est un art, libérez votre esprit... |