POUR VOUS AIDER DANS VOTRE PRÉPARATION, DES KITS PRÊT À MONTER SONT DISPONIBLES

Indication essentielles

 

Le moteur, dans le cadre d’un raid, subit de fortes contraintes en raison des conditions d’utilisation hors de la normalité.
Le risque de casses est alors beaucoup plus important mais la surveillance de certains paramètres permet de l’économiser, ou de détecter une possible dégradation à venir.

Les pannes majeures pouvant entrainer l’immobilisation de la voiture sont essentiellement liées à :
  •  Pression d’huile trop basse ➔ Serrage moteur, casse mécanique critique, etc.
  • Température d’eau excessive ➔ joint de culasse, déformation culasse, etc.

Dans les deux cas, la panne peut s’avérer très problématique puisqu’une intervention lourde de maintenance sera nécessaire pour la résoudre.

Tous les moteurs de 205 disposent d’alertes de surchauffe (environ >105°C pour essence et >115°C pour diesel) et de baisse de pression d’huile (généralement <0.6bar) grâce à des témoins au tableau de bord.

Cependant l’allumage des voyants d’alerte est trop tardif et ne permet pas d’anticiper une dérive excessive.
La pompe à huile peut être détériorée par un choc, un corps fissuré par exemple, abaissant la pression de sortie du fait d'une prise d'air sur l'aspiration, ne permettant plus de lubrifier correctement le moteur mais suffisante pour éteindre le voyant.
Tout comme la température d'eau peut être proche du seuil et le dépasser à l'attaque d'une difficulté engendrant un prise de décision rapide.

De plus, il y aura toujours un doute sur la fiabilité de l'alarme et il est nécessaire d'avoir une redondance pour confirmer l'alerte.

Il est donc impératif en utilisation Raid d’avoir, au moins, ces deux paramètres affichés en temps réel afin de les surveiller régulièrement.

En complément des alarmes surchauffe et baisse pression d'huile, l'alerte de bas niveau de liquide de refroidissement permettra de détecter une fuite mais aussi d'indiquer si la sonde de température moteur n'est plus immergée et donc ne fournit plus une indication fiable. Sur moteur TU, privilégier le montage d'un radiateur long équipé de cette sonde de bas niveau d'eau, voir Prép'Tech/circuit de refroidissement.

Le fonctionnement de l'alternateur est aussi à surveiller car, par expérience, il est un des points faibles. Bien qu'une panne de ce dernier ne soit pas considérée comme critique, il reste aussi un des paramètres à surveiller, voir Prép'Tech/batterie de bord.

 


Pression d'huile (essentielle)

Seules les 205 équipées d’un moteur XU_J à injection multipoint (GTi, CTi, Gentry) possèdent de série un transmetteur de pression d’huile associé à un indicateur au tableau de bord. Il faut donc installer l’ensemble du système d’indication sur les autres types de 205.

A l'inverse, tous les moteurs, quel que soit le modèle de 205, dispose au moins d'une sonde d'alerte baisse pression d'huile (manocontact) située en face AV du moteur.

Moteur XU Moteur XUD Moteur TU
indicateur pression 205 indicateur pression 205 xu indicateur pression 205 tu
  •  Transmetteur d'indicateur de pression d'huile (M10x1).
  •  Manocontact d'alerte de baisse de pression d'huile (M16x1.5).

 

Transmetteur pression d'huile
(pour indication de pression)
transmetteur pression huile 205 transmetteur pression huile
Manocontact baisse pression d'huile
(pour temoin d'alerte)
manocontact pression huile manocontact pression huile 205

Le rajout d'un transmetteur de pression d'huile est très facile sur moteur XU essence en se calquant simplement sur le montage des 205 GTi puisque le bloc alu est identique.
Soit en montant les équipements (sondes et compteur) de la 205 GTi et en adaptant le faisceau électrique, voir Prép'Tech/compteur avec indicateurs moteur.
Soit en rajoutant un ensemble sonde/indicateur distinct mais en se servant de l’emplacement du transmetteur d’origine (M10x1).
Dans les deux cas, le manocontact d’alerte de baisse de pression (M16x1.5) conserve sa place d’origine en face avant du bloc moteur.

Sur les autres moteurs (XUD et TU), le montage de l’indication de pression est plus compliquée puisque un seul emplacement M16 pour sonde est disponible sur le bloc moteur.
La taille du raccord n'est pas compatible avec les sondes double fonctions (alerte + indication), et le manque de place, surtout pour le moteur TU dont le collecteur d'échappement se situe en face avant, limite le montage. Il est préférable de créer une dérivation afin d’alimenter en pression un collecteur déporté sur lequel se montent le manocontact (M16x1.5) et le transmetteur de pression d’huile (M10x1).

La modification consiste à installer un flexible en sortie de bloc venant alimenter un Té.
Ce dernier sert de collecteur de pression sur lequel se montent le transmetteur d’indication et la sonde manocontact de pression.

Attention, une dérivation ne disposant pas de circulation de fluide n'est fiable que
pour une lecture de pression
. Elle n'est pas utilisable pour une lecture de température,
voir sonde de température d'huile.


Un kit est dispo pour moteurs XUD et TU, voir Prép'Kits/kit n°10.
kit indicateur pression 205
Avec ce montage, il est possible d'installer les sondes d'origines 205 GTi/TD avec l'indicateur intégré au compteur propre à ces modèles pour conserver une instrumentation intégrée au tableau de bord.
Voir Prép'Tech/compteur avec indicateurs moteur.

Ou monter un indicateur de pression d'huile distinct déporté avec sa sonde.
sonde pression 205

IMPORTANT
L'indicateur de pression d'huile du compteur d'origine 205GTi/CTi/TD... ne fonctionne qu'avec la sonde Peugeot d'origine.
Le montage d'un compteur Peugeot entraine obligatoirement l'installation de la sonde constructeur.

 


Température d'eau (essentiel)

Tous les moteurs de 205 possèdent d'origine une sonde d'alerte surchauffe et un emplacement de taille M14x1.25 pour une sonde d'indication de température.

Cet emplacement, généralement à coté du thermocontact d'alerte, peut être équipé d'origine de la sonde (parfois non branchée) ou simplement obturé par un bouchon.
Moteur XU essence: En arrière de la culasse, sur le bloc collecteur d'eau (thermocontact et thermistance).
Moteur XUD diesel: En sortie de culasse, en amont du calorstat (thermocontact et thermistance).
Moteur TU essence: Sur le côté gauche de la culasse (thermocontact) et en sortie de culasse, en amont du calorstat (thermistance).

Moteur XU Moteur XUD Moteur TU
indicateur température 205 indicateur température moteur xu diesel indicateur température moteur tu
  •  Thermistance pour indication de température d'eau (M14x1.25).
  •  Thermocontact d'alerte de surchauffe moteur (M14x1.25).
Note:
Sur les versions récentes des moteurs TU, la sonde de surchauffe moteur n'est pas immergée au niveau du boitier calorstat mais est directement montée sur la culasse ➔
thermocontact 205 TU sonde surchauffe 205 TU

Bien que possédant les mêmes filetages et connectiques, la thermistance et le thermocontact sont deux éléments distincts et ne sont pas interchangeables.

Thermistance
(Pour indication de température)
thermistance 205 thermistance 205 GTi
Thermocontact
(Pour témoin d'alerte)
thermocontact 205 thermocontact 205 GTi

Attention: ne pas confondre avec la sonde de température moteur spécifique à l'injection.
Sonde température d'injection
(Fonction starter automatique)
sonde injection 205 sonde ctn 205 GTi

Si le choix est de monter un compteur d'origine 205 disposant de l'indicateur de température d'eau, il suffit de monter une thermistance de température d'origine et d'adapter le faisceau électrique, voir Prép'Tech/compteur avec indicateurs moteur.
Sinon, simplement rajouter un indicateur de température déportée avec sa sonde associée M14x1.25.

Exemple pour un moteur XU essence ➔ monocontact pression huile GTi
Exemple pour un moteur XUD diesel ➔ manocontact huile 205 diesel
  •  Thermistance pour indication de température d'eau (M14x1.25).
  •  Thermocontact d'alerte de surchauffe moteur (M14x1.25).

Exemple pour un moteur TU essence ➔
(plusieurs emplacements suivant versions)
sonde pression huile

IMPORTANT
L'indicateur de température d'eau d'un compteur d'origine Peugeot n'est pas compatible avec toutes les sondes d'équipementiers.
Il est donc préférable d'installer la sonde constructeur associée, dans ce cas, pour conserver la fiabilité de la valeur de température indiquée.
Tout comme toutes les sondes ne sont pas compatibles entre elles et ne correspondent pas avec tous les indicateurs déportés.

 


Température d'huile (facultatif)

Sur 205, seuls les moteurs XU_J (injection multipoints) des GTi, CTi, Gentry..., disposent d'un indicateur de température d'huile d'origine.

Les huiles modernes supportant des températures très élevées, la lecture de ce paramètre n'est pas réellement essentielle car une surchauffe du liquide de refroidissement sera plus significatif d'une montée anormale en température. Toutefois, cet affichage permet de mieux surveiller l'état de fonctionnement du moteur en temps réel et ainsi vérifier la cohérence des indications pouvant mettre en avant un problème à venir.

L'emplacement de la sonde se trouve en partie arrière du carter afin de la noyer dans l'huile ➔


sonde temperarture huile 205

Pour qu'elle soit fiable, la prise de température doit être effectuée dans un fluide "brassé" (à titre de comparaison: dans un circuit d'eau sanitaire, il est obligatoire d'évacuer l'eau des tuyauteries à température ambiante pour obtenir l'arrivée d'eau chaude.).
Il n'est donc pas possible de placer une sonde de température en bout de flexible comme pour la pression.

La sonde de température d'huile est présente d'origine sur les moteurs XU_J des 205 mais aussi les TU_J (essence injection multipoints) des 106 Rallye, entre autres, mais la plupart des carters de remplacement disposent de cet emplacement afin de réduire le nombre de pièces au catalogue de l'équipementier.
Il suffit donc de changer le carter pour monter facilement la thermistance.

Attention toutefois au diamètre de la sonde qui peut être différent (M14x1.25) sur TU et XU à partir de sep93.

Carter d'huile XU(D) Carter d'huile TU
Sans sonde Avec sonde de T° Sans sonde Avec sonde de T°
carter huile 205 carter 205 gti carter huile 205 TU carter huile 205 sonde
Attention: à partir de 09/1993, le filetage de la sonde est M14x1.25.

Il est possible d'adapter un compteur de GTi/TD... pour lire la valeur au compteur, voir Prép'Tech/compteur avec indicateurs moteur.
Ou rajouter un indicateur de température d'huile distinct déporté avec sa sonde associée.

Sonde température d'huile
sonde injection 205 sonde ctn 205 GTi
Attention: à partir de 09/1993, le filetage de la sonde est M14x1.25.

 


Raccords courants de sondes d'indication

Les raccords les plus fréquemment employés pour les sondes d'indications sont: (liste non exhaustives)

  •  Métrique : M10x1 (ou M10x100) - M14x1.25 (ou M14x125) - M16x1.5(ou M16x150) - autres.

Norme ISO métrique suivant spécifications allemandes DIN.
Le filetage est cylindrique.
La désignation indique la diamètre en millimètre (M) suivi du pas (distance entre 2 filets en mm)

L'étanchéité se fait par le siege conique (60° ou 90°) ou par une portée plate aver un joint.

raccord métrique
raccord métrique

  •  National Pipe Thread : NPT 1/8 (ou NPT 1/8x27) - NPT 1/4x18 - autres.

Norme américaines.
Le filetage est conique.
La désignation indique un diamètre (pas une fraction de pouce) suivi du nombre de filets au pouce.

L'étanchéité se fait par la compression créée par le male conique sur le raccord femelle.

raccord npt
raccord métrique
Taille ⌀ ext. (mm) ⌀ int.(mm) Pas (mm) L (mm)
1/8x27 10.29 8.41 0.941 6.7
1/4x18 13.72 10.9 1.411 10.21
3/8x18 17.15 14.33 1.411 10.36
Ces deux normes ne sont pas équivalentes.
Exemple d'adaptateur :
Male M10x1 (filetage linéaire, étanchéité par joint).
Femelle NPT 1/8x27 (taraudage conique, étanchéité par compression).
adaptateur m10 vers NPT adaptateur NPT vers M10

 


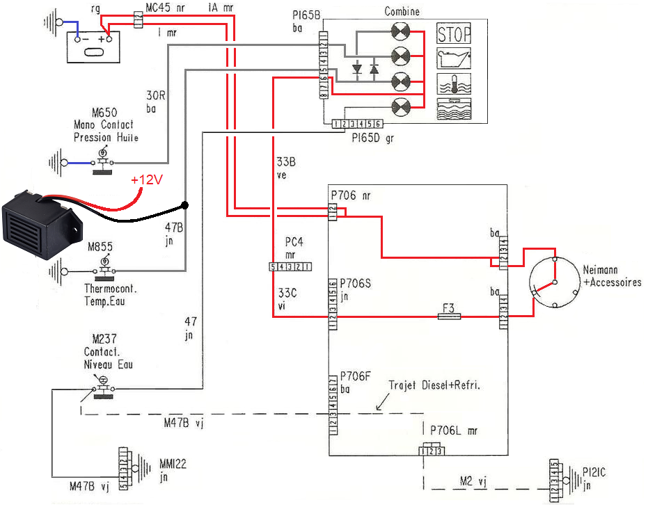
Alerte sonore

En raison de la difficulté à surveiller les indications, ou les témoins au tableau de bord, lors des passages difficiles, il est fortement recommandé d'installer un indicateur sonore pour alerter d'une surchauffe ou chute de pression d'huile moteur.

L'installation est très aisée et la masse du buzzer doit être installé uniquement sur la ligne de la sonde thermocontact de température.
De par ce montage, les alertes suivront cette logique:
  •  Baisse pression d'huile moteur: Voyant baisse de pression + voyant surchauffe + STOP + Buzzer.
  •  Surchauffe température moteur: Voyant surchauffe + STOP + Buzzer.

Alimenter en 12V le buzzer via le fusible F1 afin de ne pas avoir l'alarme sonore lorsque le neiman est sur la position A (accessoires).

Alarme baisse de pression d'huile
Alarme OFF
Alarme ON
Pression d'huile OK
baisse pressui huile moteur 205
Alarme surchauffe moteur
Alarme OFF
Alarme ON
Temp. moteur OK
surchauffe moteur 205

Un deuxieme buzzer peut être rajouté sur la ligne de detection de bas niveau de liquide de refroidissement suivant le même principe que pour la surveillance d'huile.

 


 

La surveillance des paramètres moteur, ou autres, permettra de limiter le risque de panne. Mettez toutes les chances de votre côté, ne faites pas l'impasse dessus car les modifications ne représentent pas un coût conséquent en regard de l'avantage apporté.

Indication essentielles:
  •  Alerte baisse pression d'huile (origine).
  •  Alerte surchauffe moteur (origine).
  •  Indication pression d'huile (suivant modèle sinon à rajouter).
  •  Indication température moteur (suivant modèle sinon à rajouter).
  •  Alerte baisse niveau d'eau (origine).
  •  Indication tension batterie/alternateur (à rajouter).
  •  Niveau carburant (origine).

Indication secondaires:
  •  Alerte bas niveau carburant (origine).
  •  Indication température d'huile (suivant modèle).
  •  Témoins de déclenchement ventilateurs radiateur (à rajouter).
  •  Alarme sonore d'alerte (à rajouter).
  •  Autres...

JiCéLDé, la préparation est un art, libérez votre esprit...